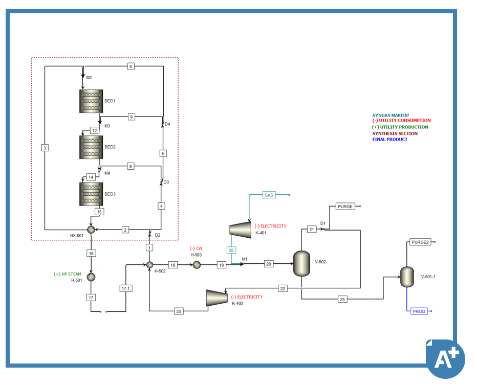
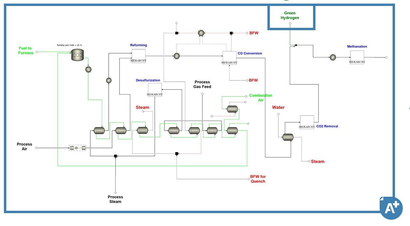
H2 Production via Steam Methane Reforming | NH3 Production via Haber-Bosch |
![]() | ![]() |
▼ Redução do Gás Natural de Processo⇶ Igual caudal de ar (igual oxigénio)▲ Maior extensão da oxidação do CH4▲ Mais CO2 libertado por H2 produzido | ![]() |
Reformer I | |
CH4 + H2O ⤏ CO + 3 H2CO + H2O ⤏ CO2 + H2 | |
![]() | ![]() |
Reformer II | |
CH4 + 0.5 O2 ⤏ CO + 2 H2 | |
![]() | ![]() |
Reformer III | |
CH4 + 0.5 O2 ⤏ CO + 2 H2 | |
![]() | Até que ponto é possível suportar:▼ a redução da quantidade de CH4 que abandona o Reformer II?▲ o aumento da temperatura do efluente do Reformer II? |